(7) Aandrijving aandrijftrommel keertrommel spantrommel
Bepaling minimum trommeldiameter spantrommel keertrommel dwingtrommel
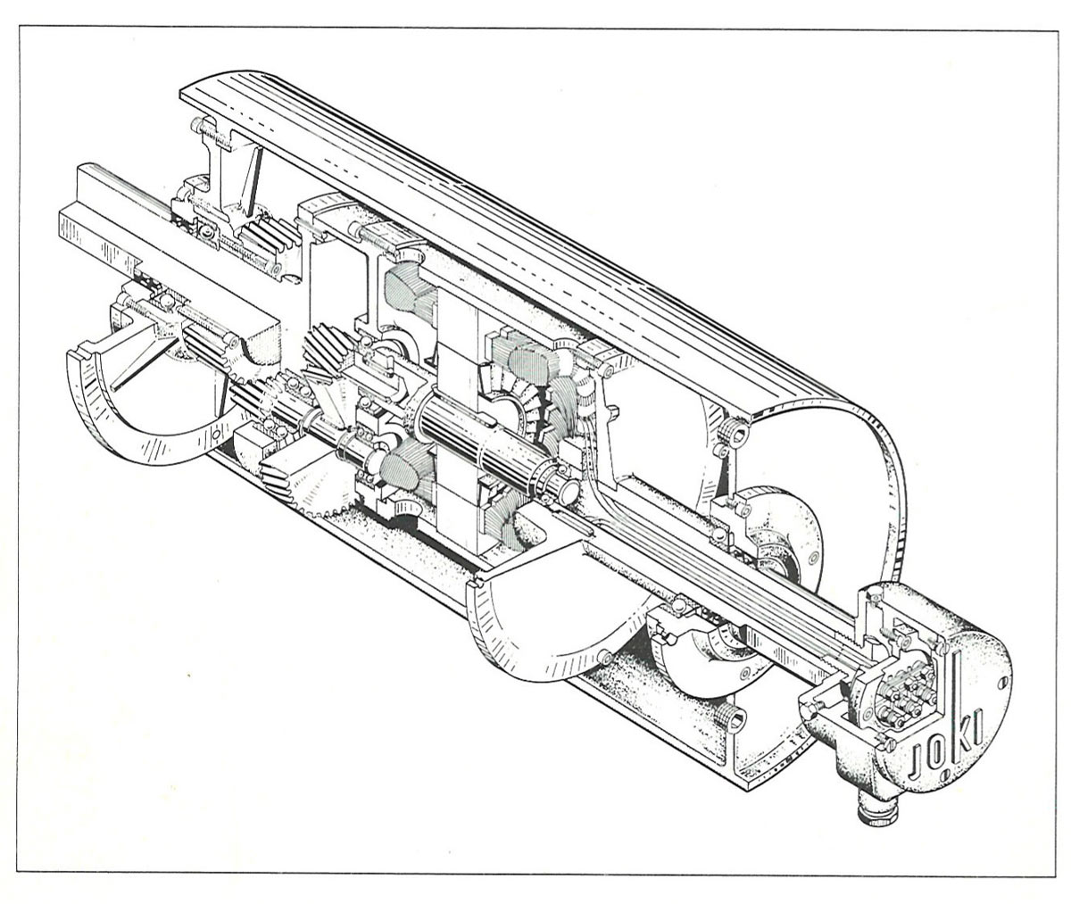
De aandrijving trommelmotoren en motorreduktoren
De aandrijftrommel
Het aanrakingsoppervlak wordt bepaald door de diameter van de aandrijftrommel
en de zgn. omspannen boog.
Uit het bovenstaande volgt, dat bij een bepaalde wrijvingswaarde
tussen band en trommel een bepaald minimum aanrakingsoppervlak vereist
is, waarbij trommeldiameter en omspannen boog bepalend zijn.

PVC-transportband voor tabakstransport. De transportband is aan de
bovenzijde voorzien van morssnaren.
De over te brengen kracht is:

Deze kracht moet door de aandrijftrommel met Ø D, met een wrijvingscoëfficiënt
µ tussen band en trommel worden overgebracht.
Per cm bandbreedte is dan:

Door middel van tabel 18 kan nu de vereiste minimum trommeldiameter
worden bepaald. De tabel geldt bij een waarde van µ = 1 en een
voorspanning van 0.5%
De gewenste voorspanning volgt uit

Bij waarden van µ die van 1 afwijken, is de over te brengen kracht
de in de tabel vermelde waarde vermenigvuldigd met µ.
In die gevallen waar niet de vereiste trommeldiameter kan worden toegepast
moet de voorspanning worden opgevoerd, in verhouding. Voor de dan ontstane
krachten verwijzen wij naar de kracht/rekdiagrammen bij hoofdstuk "Voorspanning".
NB:
Iedere bandsamenstelling bepaalt, geheel onafhankelijk van het voorgaande,
een minimum trommeldiameter. Dit hangt samen met de eindeloze verbinding
van de transportband en de door de buiging optredende inwendige warmteontwikkeling.
Van de diverse bandkwaliteiten staat dit in de desbetreffende documentatie
aangegeven. Men dient dus beide waarden in de beschouwing te betrekken.
Aandrijftrommels worden vaak gebombeerd (gebolleerd), d.w.z. dat de
diameter in het midden groter is dan aan de kanten. In welke mate bombering
noodzakelijk is, staat in onze speciale brochure: "Sturen van transportbanden"
nader aangegeven.
Span-keertrommels/spantrommels/keertrommels
Zoals uit de situatie schetsen op pagina 4
en 5 blijkt kunnen deze trommels afzonderlijk of gecombineerd in
een installatie voorkomen. Voor de diameter wordt meestal een waarde
van 0.8 x de minimum diameter van de aandrijftrommel aangehouden.
Dwingtrommels (of terugbuigtrommels)
Deze worden toegepast om de band in te snoeren, zoals bij de aandrijftrommel
te verkrijging van een grotere omspannen boog of bij spantrommels.
De minimum diameter van deze trommels wordt meestal op 0.65 x de diameter
van de aandrijftrommel aangehouden.
Gezien de samenstelling van de transportband kan het echter ook voorkomen
dat de dwing- of terugbuigtrommel zelfs groter dan de diameter van de
aandrijftrommel moet worden. Zie hiervoor onze speciale transportbanden
documentatie.
In het algemeen is de meest ideale aandrijving voor transportbanden
de olie gekoelde Joki trommelmotor, waarbij zowel elektromotor als tandwielkast
in de trommel zijn ingebouwd. Deze aandrijving biedt een optimale bedrijfszekerheid.
De montage is uiterst eenvoudig, terwijl mechanische teruglooprem of
elektromagnetische rem kunnen worden ingebouwd.
Voor uitvoerige informatie verwijzen wij naar de betreffende documentatie.
Aandrijving d.m.v. een aandrijftrommel, tandwielkast en elektromotor
of motorvariator is natuurlijk ook mogelijk. Ook deze onderdelen zijn
in ons leveringsprogramma opgenomen en de betreffende informatie vindt
u in onze documentatie.







